欧洲精品在线视频,小sao货大ji巴cao死你,日本视频在线免费,亚洲成人一区二区在线观看,aaaaa一级片,男女吻胸做爰摸下身

咨詢電話: 187-1797-6220

— 行業資訊 —

大中電機歡迎您
聯系我們/CONTACT US
全國免費客服電話 187-1797-6220
承務實業有限公司

地址:上海市松江區莘磚公路399弄

電話:021-6992-5088

手機:187-1797-6220 朱經理

郵箱:18717976220@163.com

您的位置:首頁 > 新聞資訊 > 行業資訊 >

行業資訊

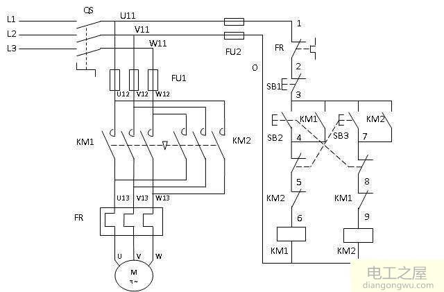
380v電機正反轉實物接線圖(兩個交流接觸器正反轉)

發布時間:2021-03-06 00:01

電動機的正向和反向控制是電氣工程領域中的常見控制電路,廣泛用于雙向控制電路中,例如礦井提升機,卷揚機等。

問題中提到的兩個接觸器的常閉點與線圈串聯,實際上是兩個正向和反向接觸器的安全聯鎖。這樣做的目的是,當一個接觸器工作時,另一接觸器無法連接到操作上。如果未互鎖,則一個接觸器運行時,另一接觸器將閉合,并發生短路故障。因為電動機是在正向和反向方向上控制的,所以兩相線是反向的,并且由接觸器實現。如圖所示:

在圖電機正反轉接觸器常閉點和線圈串聯的目的

中,可以看到KM1和KM2接觸器的中間相L2沒有改變,并且L1和L3相的接線也改變了。線圈互鎖,L1和L3相短路。

三相異步電動機的正向和反向電路可以稱為非常“成熟”的“經典”電氣控制電路。據說它是經典的,因為它是許多新手電工必備的電路。據說之所以成熟,是因為有可能在許多機械設備的電氣控制電路中看到前向和反向控制鏈接的“元素”。例如,最早的通用車床電路和當前的CNC車床電路可以看到正向和反向連桿和起重機。您還可以看到電氣控制電路,例如徑向鉆孔機和萬能銑床的主軸的上升和下降,主軸的正向和反向旋轉。您還可以看到徑向的電路。如下圖所示,鉆孔機具有正向和反向電路鏈接。

在兩個接觸器的常閉點以及三相電動機的正向/反向旋轉中,線圈的串聯連接是電路安全保護的環節。

各種設備必須具有安全保護措施。否則,如果發生事故,電路也不例外,因為它很大。還有許多保護措施,例如與一個接觸器的常閉點接觸。另一個設備線圈的串聯連接是一種安全保護鏈接,該鏈接稱為“互鎖”鏈接。這種保護是相互制約的關系。如下圖所示,交流接觸器KM1和KM2必須與正向KM1和反向KM2控制電路中其他接觸器的一對輔助常數串聯。關閉聯系人以同時關閉它。當對KM1線圈通電時,與KM2線圈串聯的常閉觸點KM1斷開KM2線圈,并且不供電。這樣,在任何情況下KM1和KM2不會同時通電。

相關推薦

在線留言

您的姓名*

聯系電話*

公司名稱

留言內容*

Copyright?承務實業有限公司 網站圖片內容來源于網絡,如有侵權請聯系刪除。滬ICP備16040912號-21 網站地圖 | xml

在線咨詢

索要報價

銷售熱線

銷售熱線:187-1797-6220