欧洲精品在线视频,小sao货大ji巴cao死你,日本视频在线免费,亚洲成人一区二区在线观看,aaaaa一级片,男女吻胸做爰摸下身

咨詢電話: 187-1797-6220

— 企業新聞 —

大中電機歡迎您
聯系我們/CONTACT US
全國免費客服電話 187-1797-6220
承務實業有限公司

地址:上海市松江區莘磚公路399弄

電話:021-6992-5088

手機:187-1797-6220 朱經理

郵箱:18717976220@163.com

您的位置:首頁 > 新聞資訊 > 企業新聞 >

企業新聞

豐田gtm7200gs(gtm7200gs)

發布時間:2021-03-08 11:00

(1)接線圖

圖2-19-6是7200GS變頻器的標準接線示例。現在,為圖2-19-6 :

編寫以下描述。

(1)5zy1sqxqaxj.bmp是絕緣電線,bzkgvfdovmp.bmp是絕緣雙絞線。

(2)端子15:輸出+ 15V,最大20mA。

(3)端子13和14不能同時使用(如果同時使用,則將頻率命令加在一起)。

(4)端子符號:◎表示主電路端子,○表示控制電路端子。

(5)多功能模擬輸出是用于儀表等指示器的專用模擬輸出。請勿用于控制系統的反饋控制。如果需要使用反饋信號,則可以選擇可選的接口卡(AO-12卡)。

(2)接線端子描述

1.主電路端子

有關主電路端子塊的說明,請參見表2-19-2。

表2-19-2主電路端子塊說明

馬力

終端標記

440V 25HP 220V 25?100HP

440V 30?400HP

R/L1主電路電源輸入S/L2T/L3U/T1變頻器輸出V/T2W/T3B1/P●B1/P-B2:外部制動電阻

●B1 /P-?:直流電源輸入

-B2-?●⊕-?:直流電源輸入或外部制動檢測模塊⊕-E(xkegz0kfp4f.bmp)接地端子(第三類接地,接地電阻小于100Ω)

2.控制電路端子

有關控制電路端子塊的說明,請參見表2-19-3。

表2-19-3控制電路端子塊說明

類型編號名稱端子功能信號電平操作

轉動

輸入

輸入

字母

號碼

1“閉合”運行/停止→正向,“斷開”→直流24V,8mA光耦斷開連接2“閉合”反向/停止→反向,“斷開”→停止3外部異常輸入“閉合”→異常,“斷開”→正常4異常返回“關閉”→返回

續表

類型編號名稱端子功能信號電平操作

轉動

輸入

輸入

字母

號碼

5主/輔助速度開關“關閉”→輔助頻率命令DC 24V,8mA光電耦合器絕緣6多速度命令2“關閉”→多速度命令2有效7英寸移動命令“關閉”→英寸操作8外部BB“關閉”→變頻器停止將111的公共端子輸出為8級

比率

。 輸入

輸入

字母

號碼

15速度命令功率速度命令設置電源端子+ 15V,最大20mA 13主速度命令0?10V/100%頻率0?+ 10V(20kΩ)144?20mA/100%頻率4?20mA(250Ω )16輔助頻率指令0?10V/100%頻率0?+ 10V(10kΩ)17公共端子13,14,16頻率指令公共端子-12屏蔽雙絞線端子連接絕緣雙絞線屏蔽護套傳輸

旋轉 輸入

退出

字母

號碼

9操作期間的信號輸出

(否)

操作端子9-10導電觸點容量:

250 VAC,1 A

30VDC,小于1A

零速檢測最小頻率(Cn-07)低于1025為低電平,集電極開路輸出:

48V,小于50mA

。 26在設定頻率的±1%以內的速度一致檢測為LOW電平27端子25、26公共端子-18輸出信號異常

18-20:NO

19-20:NC

:異常時端子18-20關閉

端子19-20打開

觸點容量:

250VAC,1A

30VDC,小于1A

1920模擬

輸出

21頻率表輸出0?10V/100%頻率0?10V,最大2mA以下22共用端子

注意端子⑤?⑧,⑨?⑩,(21)?(22),(25)?(27)出廠設置。

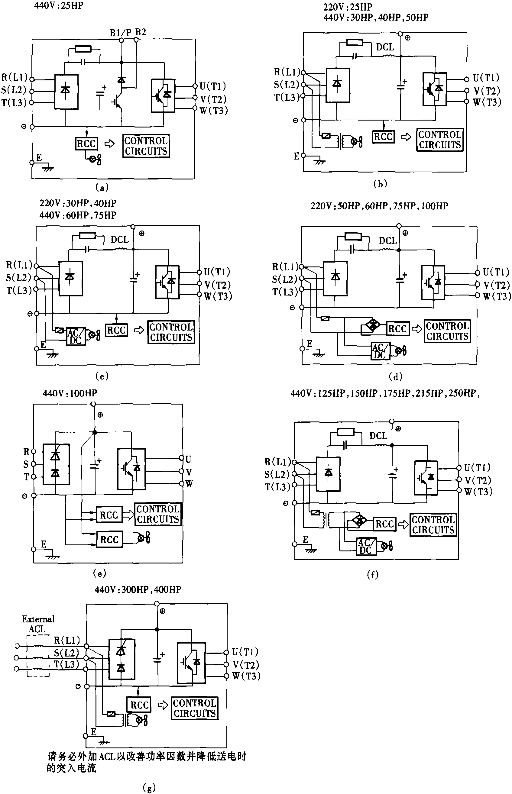
(3)主電路內部接線

7200GS系列各種型號變頻器的主電路內部布線如圖2-19-7所示。

(4)主電路外部接線的通用組件

在7200GS的交流電源和電源輸入端子R.S.T之間,應安裝一個非熔斷器(QF),并根據需要安裝一個電磁接觸器(KM)。當安裝了漏電斷路器以進行漏電保護時,請選擇一個靈敏度電流為200 mA或更高且操作時間為0.1 s或更長的斷路器,以防止漏電斷路器發生故障。表2-19-4列出了主電路外部接線的常用組件。

表2-19-4接線設備選擇

220V級7200GS逆變器電纜(mm2),無保險絲

開關③

電磁接觸器③最大施加功率

功率HP(kW)

評分

(kVA)

額定電流

(A)

主電路①接地線

E [G]

控制線②25(18.5)348802140.5?2TO-225S

(150A)

CN-8030(22)419630140.5?2TO-225S

(175A)

CN-100

續表

220V級7200GS逆變器電纜(mm2),無保險絲

開關③

電磁接觸器③最大施加功率

功率HP(kW)

評分

(kVA)

額定電流

(A)

主電路①接地線

E [G]

控制線②40(30)5413060220.5?2TO-225S

(175A)

CN-12 550(37)5716060×2P220.5?2TO-225S

(200A)

CN-15060(45)6718360×2P220.5?2TO-225S

(225A)

CN-18075(55)8522460×2P300.5?2TO-400S

(300A)

CN-300100(75)128300100×2P500.5?2TO-400S

(400A)

CN-300 440V 7200GS逆變器電纜(mm2),無保險絲

開關③

電磁接觸器③最大施加功率

功率HP(kW)

評分

(kVA)

額定電流

(A)

主電路①接地線

E [G]

控制線②25(18.5)3440880.5?2TO-100S

(75A)

CN-5030(22)41481480.5?2TO-100S

(100A)

CN-5040(30)54642280.5?2TO-100S

(100A)

CN-6550(37)688022140.5?2TO-125S

(125A)

CN-8060(45)829638140.5?2TO-225S

(175A)

CN-10075(55)11012860220.5?2TO-225S

(175A)

CN-125100(75)13816560×2P220.5?2TO-225S

(225A)

CN-150125(90)18019260×2P300.5?2TO-400S

(300A)

CN-300150(110)19522460×2P300.5?2TO-400S

(300A)

CN-300175(132)230270 100×2P500.5?2TO-400S

(400A)

CN-300215(160)260300100×2P500.5?2TO-400S

(400A)

CN-300250(185)290340 250×2P500.5?2TO-600S

(600A)

S-K400④

(450A)

300(220)385450250×2P600.5?2TD-800S

(800A)

S-K600④

(800A)

①電源線中有R/L1,S/L2,T/L3,U/T1,V/T2,W/T3,(+),(-)。

②控制線是控制面板的端子線。

③表中的QF和KM類型為泰安產品編號,并且也可以使用相同等級的其他品牌。 KM線圈的兩端必須安裝R-C浪涌吸收器(0.1μf/1000VDC,10Ω/5W)以減少噪聲干擾。

④表中的KM類型是三菱的產品編號,也可以使用相同等級的其他品牌。

xdtpu2lywpa.png

圖2-19-7每個7200GS軟起動器型號的主電路內部接線圖

(5)外部接線注意事項

1.控制電路接線

(1)控制電路布線應與主電路布線(R/L1,S/L2,T/L3,U/T1,V/T2,W/T3)和其他電源線分開。干涉。

(2)觸點輸出端子⑨,⑩,(18),(19),(20),①?⑧,(21),(22),(25),(26),(27)和( 11)?(17)分開接線。

(3)控制回路的布線應使用屏蔽絕緣雙絞線,以防止噪聲干擾。請參閱圖2-19-8。接線距離不應超過50 m。

2.主電路布線

(1)無需考慮輸入功率R/L1,S/L2,T/L3,相序關系。

qt32jl3lzwg.png

圖2-19-8絕緣絞線(屏蔽線)的剖視圖

(2)輸入電源不能連接到變頻器輸出端子U/T1,V/T2,W/T3。

(3)變頻器的輸出端子U/T1,V/T2,W/T3連接到電機的U/T1,V/T2,W/T3端子,當變頻器執行正轉指令時,電機反向,電動機交換兩根導線:U/T1,V/T2,W/T3。

2vurrhozu5b.png

圖2-19-9如何連接多臺逆變器的多條接地線

(4)請勿在變頻器的輸出端子上連接電容器或LC或RC噪聲濾波器,以提高性能。

3.接地線

(1)接地端子(E)通過第三種接地方法接地(接地電阻小于100Ω)。

(2)變頻器的接地線不能在大電流負載下接地,例如電焊機和大功率電機,必須單獨接地。

(3)地線的尺寸符合電氣設備的技術標準,地線越短越好。

(4)如果多個逆變器一起接地,請參閱圖2-19-9,并且不要形成接地回路。

相關推薦

在線留言

您的姓名*

聯系電話*

公司名稱

留言內容*

Copyright?承務實業有限公司 網站圖片內容來源于網絡,如有侵權請聯系刪除。滬ICP備16040912號-21 網站地圖 | xml

在線咨詢

索要報價

銷售熱線

銷售熱線:187-1797-6220