欧洲精品在线视频,小sao货大ji巴cao死你,日本视频在线免费,亚洲成人一区二区在线观看,aaaaa一级片,男女吻胸做爰摸下身

咨詢電話: 187-1797-6220

— 企業新聞 —

大中電機歡迎您
聯系我們/CONTACT US
全國免費客服電話 187-1797-6220
承務實業有限公司

地址:上海市松江區莘磚公路399弄

電話:021-6992-5088

手機:187-1797-6220 朱經理

郵箱:18717976220@163.com

您的位置:首頁 > 新聞資訊 > 企業新聞 >

企業新聞

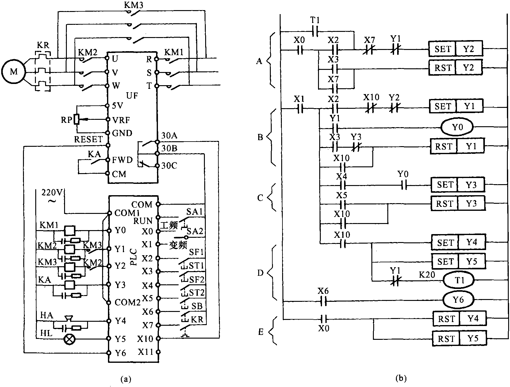
例6 用PLC控制變頻與工頻(工頻變頻轉換線路圖)

發布時間:2021-03-09 12:00

電路如圖4-6(a)所示,其主電路與“使用繼電器在變頻和工業頻率之間切換”的應用示例相同。 SA1用于控制PLC的運行,SA2用于在工頻運行和變頻運行之間切換。 SF1,ST1,SF2和ST2按鈕的功能與“使用繼電器進行開關頻率轉換和工業頻率”電路相同。

twozxvgbrvv.png

圖4-6 PLC控制變頻器和工業頻率電路

(a)PLC控制切換電路; (b)切換控制梯形圖

PLC梯形圖如圖4-6(b)所示,為便于說明,梯形圖分為5個部分:A部分,B部分,C部分,D部分和E部分。描述如下:

——節“電源頻率操作”節。首先,將選擇器開關SA2轉到“工頻運行”位置,以使輸入繼電器X0工作并準備工頻運行。當按下啟動按鈕SF1時,輸入繼電器X2起作用,輸出繼電器Y2起作用并保持不變,接觸器KM3起作用,并且電動機以工頻電壓起動并起作用。當按下停止按鈕ST1時,輸入繼電器X3被激活,輸出繼電器Y2被“復位”,接觸器KM3斷電,電動機停止工作。電動機過載時,熱繼電器觸點KR閉合,輸入繼電器X7激活,輸出繼電器Y2和接觸器KM3依次復位,電動機停止運行。

B部分——頻率轉換通電部分。首先,將選擇器開關SA2轉到“變頻運行”位置,以使輸入繼電器X1工作并為變頻工作做準備。當按下啟動按鈕SF1時,輸入繼電器X2起作用,而輸出繼電器Y1起作用并保持。一方面,接觸器KM2被激活,并且電動機連接到變頻器的輸出端子。另一方面,輸出繼電器Y0被激活并且接觸器KM1被激活,從而接通逆變器的電源。按下停止按鈕ST1激活輸入繼電器X3,“復位”輸出繼電器Y1,并且在Y3無效或已復位的前提下復位接觸器KM2,從而斷開電動機之間的連接。和逆變器。同時,輸出繼電器Y0和接觸器KM1也被依次復位,從而切斷了逆變器的電源。

C部分——變頻工作部分。根據SF2,輸入繼電器X4起作用:在Y0起作用的前提下,輸出繼電器Y3起作用并保持,繼電器KA起作用,變頻器的FWD接通,電動機啟動。加速運行并進入變頻工作階段。同時,Y3的常閉觸點會暫時禁用“停止按鈕” ST1,從而防止在電動機運行時直接切斷逆變器電源。按下ST2時,輸入繼電器X5被激活,輸出繼電器Y3被復位,繼電器KA斷電,逆變器的FWD斷開,電動機開始減速并停止。

D部——變頻器跳閘部。當變頻器由于故障跳閘并且變頻器的“ 30B-30A”閉合時,PLC的輸入繼電器X10起作用,一方面,Y1和Y3復位,以便輸出繼電器Y0,接觸器KM2和KM1,繼電器KA也被連續復位,變頻器停止工作。另一方面,輸出繼電器Y4和Y5被激活和保持,并且蜂鳴器HA和指示燈HL被激活以執行聽覺和視覺警報。同時,當Y1復位時,時間繼電器T1開始計時,經過延時后,常開觸點閉合,因此輸出繼電器Y2被激活并保持,電動機進入工頻運行狀態。

E段——錯誤處理段。發出警報后,操作員必須立即將SA切換到“工頻運行”位置。此時,輸入繼電器X0起作用,而控制系統正式切換到工頻運行模式,另一方面,將Y4和Y5復位以停止聲光警報。處理了逆變器的故障并再次打開電源后,必須首先按下復位按鈕SB才能使X6工作,Y6才能工作,然后打開逆變器的RESET來復位故障狀態。逆變器。

相關推薦

在線留言

您的姓名*

聯系電話*

公司名稱

留言內容*

Copyright?承務實業有限公司 網站圖片內容來源于網絡,如有侵權請聯系刪除。滬ICP備16040912號-21 網站地圖 | xml

在線咨詢

索要報價

銷售熱線

銷售熱線:187-1797-6220